电源IC(电源管理IC)是开关电源中实现脉宽控制集成的核心元件,主要用于调控电子设备的电压与电流稳定性,应用领域涵盖手机、服务器、便携设备等。
其功能从基础稳压扩展至DC/DC转换、LDO稳压、电池管理及PWM控制等多模块集成,形成高度整合的电源管理单元(PMU)。典型组件包括LDO(低噪声、低压差)、DC/DC(高效能升降压)、PWM控制器及功率MOSFET等。该器件通过脉宽调制技术调节脉冲信号占空比控制能量传输,配合反馈机制实现稳压或恒流。
PMIC,即电源管理芯片,是电子设备中负责电压转换、稳压、电池管理等关键功能的集成电路;在UHD 60Hz显示屏中PMIC能自动侦测和调节电压,确保屏幕稳定高效运行,并优化能耗,实现性能和功耗的平衡;提供各种电压,并具备过压、欠压、过流、热故障等保护功能,能提升色彩和分辨率表现,同时降低功耗,使得显示屏在保持高画质的同时能够保持低能耗。
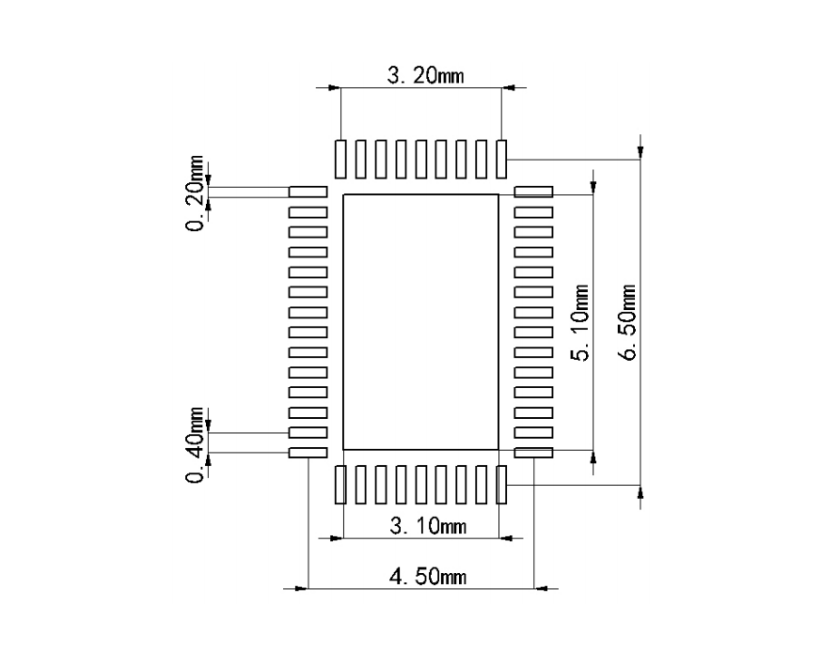
工采网代理的电源管理芯片 - iML1942是一个高度集成的电源管理IC。它具有完整的I2C接口来编程各种参数。iML1942设备包括各种保护功能,如输入欠压锁定(UVLO)和过温关闭(OTP)。输出端包括欠压保护(UVP)和短路保护(SCP)。有一个WQFN 46针6.5 mm X 4.5 mm,底部暴露的热垫,以提供较佳的散热。该设备的额定工作范围为-40至+85°C温度范围。
需要在COMP引脚上配置一个RC电路来稳定闭环系统。通过调节RCOMP参数设置高频积分器增益以实现快速瞬态响应,同时通过调整CCOMP参数设定积分器零点以维持系统稳定性。补偿值初始应按应用电路建议的参数设置,并根据实际需求进行微调。为优化瞬态响应性能,建议采用20%步长调节RCOMP,50%步长调节CCOMP,同时实时监测瞬态响应波形的变化。
电源管理集成电路(IC)是一种芯片,负责电子设备系统中电能的转换、配电、检测和其他电源管理。其主要负责将源电压和电流转换为可由微处理器、传感器等负载使用的电源。电源管理芯片(PMIC)的核心工作原理是通过电压转换、动态调节和保护机制,为电子设备提供稳定可靠的电能管理。
电源管理芯片的主要作用包括电源管理、充电管理和电池管理。电源管理方面,它能够转换电压和电流以适应不同电子元件和电路的需求,并提供稳定的电源输出;充电管理方面,它能够监测和控制设备电池的充电状态,提供恰当的充电电流和电压;电池管理方面,它能够监测和管理设备电池的电量,确保电池的安全和性能。电源管理芯片的工作原理主要基于反馈环路机制,通过感知输出电压的变化并与设定的参考电压进行比较,调整控制信号以改变开关管的导通时间或频率,从而保持输出电压的稳定。
WQFN-6.5X4.5毫米封装的布线模式:
电源管理芯片 - iML1942的特性:
8.6V至14.7V的电视输入电源电压范围
4.3V至6V的输入电源电压范围为MNT
全I2C接口控制
AVDD、VBK1、VGH、VGL、1位可选择切换频率(500 kHz/750kHz)
可选的内部或外部MOSFET驱动器增压调节器的AVDD:
- 13.5V至19.8V的输出电压范围
VBK1的同步吸盘调节器:
- 1.8V至3.35V的输出电压范围
用于HAVDD的大电流可编程放大器:
- 7位分辨率
- ±200mA输出短路电流
可选的反向调节器转换器或充电泵调节器的VGL:
- -3V至-18V的输出电压范围
- 温度补偿输出
VSS1的负线性调节器:
- -3V至-16V的输出电压范围
- 采购和连接能力
可选的增压调节器或更换泵调节器的VGH:
- 20V至45V的输出电压
- 温度补偿输出
封装:
-WQFN 6.5x4.5-46
-WQFN 6x6-48L
工采网作为国内工业品批发供应商平台,所有产品均来自于原始生产厂商直接供货,给用户提供高效的技术支持和原厂的质量保证及售后服务,价格优惠欢迎新老户客咨询热线获取更多更详细的电源管理芯片(PMIC)产品信息。
转载请注明出处:传感器应用_仪表仪器应用_电子元器件产品 – 工采资讯 http://news.isweek.cn/44993.html






