智能门锁的“大脑”不仅依赖主控,触摸感应芯片是决定交互体验的关键组件,它负责将用户的指尖信号转化为数字指令,同时需在保持极低功耗,在设计智能门锁时,常面临以下几大挑战:
功耗瓶颈:多数门锁依赖电池供电,触摸芯片必须做到极低待机功耗。
环境干扰:门锁常处于温差大、湿度变化、电磁干扰复杂的入户环境。
安全防误触:必须防止水滴、灰尘、静电等引起的误触发。
交互多样化:需要支持密码键盘、滑动触发、多功能快捷键等复杂输入逻辑。
结构适配:需能穿透玻璃、陶瓷、塑料等面板材料,并适应不同厚度与材质。
由工采网代理的GTX312L触摸传感器,其高灵敏度、低功耗、抗干扰能力强特点,为智能门锁提供更好的触摸方案;GTX312L内置 GreenTouch3LP™ 低功耗增强引擎,提供多达12个独立的电容感应输入通道,可覆盖一个完整数字键盘(0-9)外加多个功能键的需求,每个通道具备独立的 灵敏度寄存器(20h~2Bh)其智能算法包含:
■ 模拟补偿电路与数字噪声滤波器:有效抑制环境噪声干扰。
■ 智能灵敏度校准:自动补偿因温湿度、电路老化带来的基线漂移,保持长期触感一致。
■ 参考通道(RIN):通过外接参考电容,可精准补偿各通道间的初始容值差异。
■ 在典型工作状态下(如 200ms 检测周期)功耗可低至 17μA @3V,支持空闲时间与忙闲转换时间 灵活配置,让门锁在“休眠”与“侦听”间智能切换,从而实现年化级别的电池续航。
强大的抗干扰与保护机制
■ 宽电压工作(1.8V~5.5V):适应电池电压从满电到欠压的整个范围。
■ 高ESD防护:支持HBM 8KV,有效防止人体静电损坏。
■ 注册表写锁定功能:通过向 0Fh寄存器 写入非5Ah值,可锁定所有配置,防止运行时数据被意外篡改,提升系统安全性。
■ 外部串联电阻建议:每个SIN引脚可串联小于1.5KΩ电阻,结合良好的PCB布局(如缩短走线、用地线包围触摸盘),能显著增强抗射频干扰和浪涌能力。
丰富的功能模式
1、单点/多点触摸模式:通过 10h寄存器 配置,可适应不同交互逻辑。
2、滑动检测模式:通过 19h寄存器 启用,可轻松实现滑动解锁或亮度调节等高级手势。
3、触摸超时功能:可设置5-40秒超时,防止因长期触摸或物体滞留导致的误判。
4、独立通道灵敏度调节:20h~2Bh寄存器可为每个通道设置64级灵敏度,完美应对不同大小、形状的触摸Pad或因结构导致的灵敏度差异。
灵活的接口与中断,简化主控设计
■ I2C接口:仅需两根线与主控MCU通信,节省MCU IO资源。
■ 可编程设备地址:通过 CTRL引脚 接VDD、OPEN或GND,可改变I2C从机地址,支持同一总线上挂载多颗芯片,为更复杂的多区域触摸设计提供可能。
■ 中断输出(INT):可配置为 脉冲模式 或 电平模式。当触摸状态改变时,主动通知MCU,避免了MCU轮询的功耗与效率损失,特别适合低功耗待机场景。
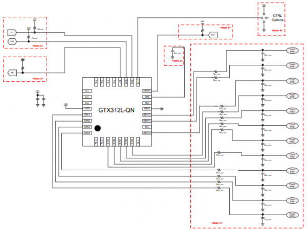
电路图:
韩国GreenChip-GTX312L多通道(输入/输出)且在功耗、抗干扰和穿透力方面都具有优势,为智能门锁提供了更安全、便捷的交互体验,如需进一步技术细节或设计支持,可联系工采网。
转载请注明出处:传感器应用_仪表仪器应用_电子元器件产品 – 工采资讯 http://news.isweek.cn/43809.html






