GTX312L是韩国GreenChip推出的GreenTouch3LP™系列电容式触摸传感器,采用QFN-32L封装,集成了12个独立的电容感测通道,模拟补偿电路、数字噪声滤波器和智能灵敏度校准算法,每路输入均可独立开启或关闭,并可通过寄存器(04H、05H)调整灵敏度(20H~2BH寄存器)轻松适配不同的面板材料和触摸体验要求;为设计多按键应用的智能门锁面板(如密码输入区域、功能切换键)或门禁控制器的矩阵按键布局提供了充足的硬件资源。
产品规格参数:
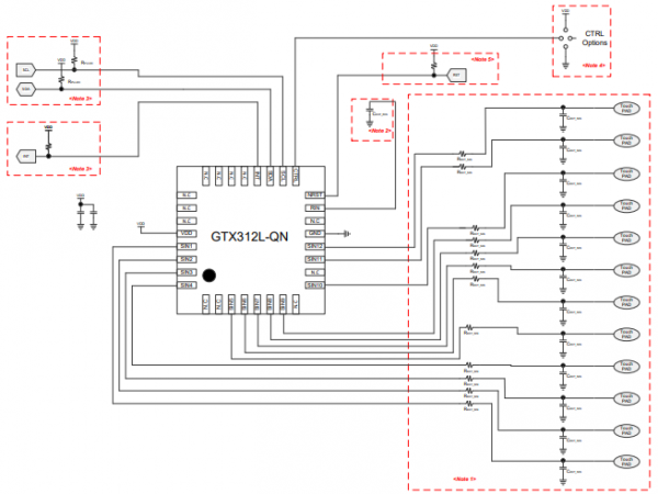
触摸通道数:12通道电容感应输入(SIN1~SIN12)
工作电压:1.8V ~ 5.5V(宽电压范围,适应电池供电)
待机电流:15-17μA @3.0V
工作温度:-40℃ 至 +85℃
感应电容范围:≤50 pF
内置模拟补偿电路与数字噪声滤波器,增强抗干扰能力
通信接口:I²C(支持100kHz标准模式和400kHz快速模式)
封装形式:QFN-32L(符合RoHS环保标准)
智能门锁、门禁采用GTX312L应用优势
一、超低功耗设计,延长电池寿命
智能门锁通常用电池供电,传统触摸方案在待机状态下仍消耗可观电流,GTX312L采用GreenTouch3LP™低功耗引擎,在待机模式下电流消耗可低至15-17μA(@3.0V)以常见的2500mAh锂电池为例,仅触摸部分的功耗就足以支撑14万小时以上的待机时间。
■ GreenTouch3LP™低功耗引擎:优化了扫描算法,降低无效工作
■ 智能休眠机制:当I2C总线空闲时(SCL和SDA同时为高),内部振荡器自动关闭
■ 可编程空闲时间:通过14H和15H寄存器可灵活设置扫描间隔。
二、多通道触摸检测与手势识别,丰富交互体验
现代智能门锁不仅需要数字密码输入,更包含滑动解锁、靠近唤醒、功能快捷键等。
■ 12通道触摸输入:可支持10个数字键+2个功能键,或组合成滑动条
■ 滑动手势识别:通过19H寄存器使能SLIDE_MODE,实现左右滑动解锁操作
■ 中断输出:触摸状态变化时INT引脚输出信号,避免MCU不断轮询,提升响应效率
三、超强抗干扰能力,确保稳定运行
智能门锁内部往往集成了电机驱动(用于锁舌)、无线模块(Wi-Fi/蓝牙)、语音提示等电路,这些都会在电源和空间上产生强烈干,同时,门锁安装在金属门上,接地和屏蔽条件复杂,GTX312L触摸芯片具备多重保护机制:
智能灵敏度校准:自动补偿因温度、湿度变化引起的漂移
数字噪声滤波器:有效抑制系统噪声,防止误触发
ESD防护:SIN输入内置串联电阻,HBM静电防护能力达±8000V
GTX312L还提供了每个通道独立的灵敏度控制(20H~2BH寄存器)可根据面板材质和厚度,在0Ch(高灵敏)到3Fh(低灵敏)范围内精细调节,找到最适合自家产品的触发阈值。
四、灵活的I2C接口,简化系统集成
GTX312L通过I2C接口与主控MCU通信,支持三种可选芯片地址(CTRL引脚配置)允许多颗器件在同一条I2C总线上并行工作。其中断输出功能可减少MCU轮询负载,提高系统响应效率。
标准的I2C接口:支持100kHz标准模式和400kHz快速模式,兼容绝大多数MCU
可选的I2C地址:通过CTRL引脚接VDD/开路/GND,可配置为B6h/B2h/B0h三种地址,允许最多3颗芯片在同一条总线上工作
寄存器写保护:0FH寄存器设置为5Ah时允许写入,写入其他值则锁定,防止意外修改配置
GTX312L电容式触摸传感器其12通道输入、超低功耗、智能环境适应和强ESD防护等特性,为智能门锁应用提供完整解决方案,如需了解产品完整数据手册、技术支持或样品申请,可联系ISweek工采网“在线客服”或留言。
转载请注明出处:传感器应用_仪表仪器应用_电子元器件产品 – 工采资讯 http://news.isweek.cn/44800.html







