GTX312L是韩国 GreenChip(绿芯)推出的面向智能门锁(门禁)、消费电子及工业控制等多场景的高性能电容式触摸传感器,支持多达12个独立触摸检测通道,集成先进的低功耗引擎与智能噪声抑制技术,提供超强抗干扰能力和智能灵敏度校准功能,可实现Pin‑to‑Pin替换TSM12。
产品特点:
供电电压:1.8 V ~ 5.5 V范围
通道数:12路独立电容检测通道,支持单键、双键及多点触控
灵敏度:检测灵敏度 0.1 pF,支持64级可编程调节
通信接口:标准 I²C(支持寄存器写锁、8个独立输出端口)
滑动模式:支持手势识别功能
功耗:待机 4.5 µA,睡眠 10 µA 左右
抗干扰:ESD 8 kV,抗特斯拉线圈干扰(30 kV/cm)
其他功能:自动灵敏度校准、幻灯片模式、支持玻璃/塑料/金属介质穿透、可佩戴手套操作。
封装:QFN‑32L(5.0 × 5.0 × 0.75 mm,e = 0.50)
应用领域
1、多按键应用:门锁、遥控器等
2、便携式电子产品:手机、MP3、PMP、PDA、导航设备、数码相机、摄像机等
3、多媒体设备:数码相框、家庭影院系统等

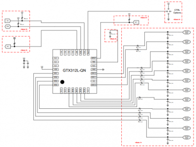
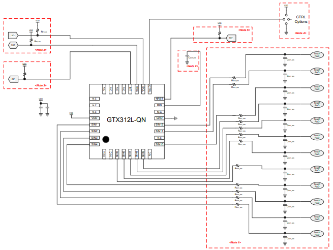
电路图:
GTX312L其低功耗、高灵敏度、强抗干扰能力和灵活的可配置性,为现代电容触摸中的优选方案,无论是智能门锁、便携终端还是工业面板,都能提供稳定、精准且高效的触摸检测解决方案,联系ISweek工采网“在线客服”提供产品PDF、技术支持和DEMO板、可申请样片。
转载请注明出处:传感器应用_仪表仪器应用_电子元器件产品 – 工采资讯 http://news.isweek.cn/43217.html








