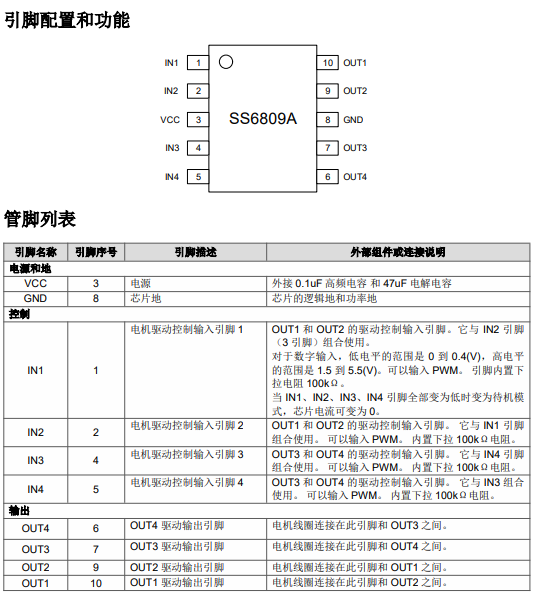
在智能家居、办公自动化与舞台灯光等快速发展的市场中,空间受限、功耗敏感、可靠性要求高的电机驱动需求日益增长,由工采网代理的SS6089A是一款16V/1A双通道H桥驱动芯片,专为12V系统设计,以SSOP10超小封装实现两路直流电机或一路步进电机的灵活驱动,适用于驱动直流电机、步进电机等多种负载。
此外,SS6809A其引脚设计完全兼容行业主流型号LV8548MC,可直接替换现有设计,无需修改电路板布局,相比DRV8837、TB6612FNG等同类产品,该芯片将驱动逻辑、功率MOSFET及保护电路高度集成,外部仅需少量无源元件;尤其适合成本敏感的消费级和工业级产品。
主要特性
●宽电压工作范围:4V–16V,兼容 12V 系统,无需额外 3.3V 控制电源
●高输出能力:每通道支持 1A 峰值电流,0.7A 持续电流(12V,25°C)
●低导通电阻:上下管总 RDS(ON) 典型值低于 1Ω,效率更高
●多种工作模式:支持直流电机正反转、刹车、待机,步进电机全步/半步驱动
●全面保护功能:集成过流、短路、欠压锁定和过温保护
●待机零功耗:所有输入为低时进入待机模式,静态电流接近零
●可并联使用:支持通道并联以提升驱动能力
●引脚兼容:可与 LV8548MC 直接替换
典型应用场景
1、双直流电机场景:吸尘器、冰箱风门、干衣机滚筒——两路独立PWM,正转、反转、刹车、滑行四种状态任意组合。
2、步进电机场景:POS/标签打印机、舞台灯光调焦——内置全步/半步逻辑,MCU仅需4路GPIO,无需外接电流调节。
3、并联输出场景:需要更大电流的微型泵、阀门——将两路H桥并联,峰值电流可达2A,轻松应对短时重载。
设计注意事项
热管理:芯片热关断功能为异常保护措施,不可依赖其作为常规散热设计。
唤醒延迟:从待机模式切换至运行需7μs复位时间,需在控制逻辑中预留余量。
逻辑电平:输入高电平需1.5V-5.5V,低电平需0V-0.4V,避免电压临界值抖动。
SS6809A以其高集成度、高可靠性和灵活的驱动能力,为12V系统电机应用提供可靠且灵活的解决方案,无论是家电、办公设备还是工业控制系统,都能提供稳定、高效的电机驱动支持,使产品实现更智能、更节能的运动控制,如有技术或样品、详细规格书需求可联系工采网“在线客服”
转载请注明出处:传感器应用_仪表仪器应用_电子元器件产品 – 工采资讯 http://news.isweek.cn/43518.html









