双通道H桥驱动器(用于电机控制)结构组成:其核心是两个独立的H桥电路。每个H桥由四个开关元件(通常是MOSFET)构成,分为上、下桥臂。电机连接在两个桥臂的中点之间。双通道设计意味着可以独立控制两个直流电机。
工作原理:
正转/反转:通过控制对角线上的一对开关管导通(如左上+右下),另一对关闭,来改变流过电机的电流方向,从而实现电机的正反转。
调速:采用PWM(脉冲宽度调制)技术,通过快速开关MOSFET来改变电机两端的平均电压,从而无级调节电机转速。
制动:将电机的两端短接(如同侧的上桥臂和下桥臂同时导通),利用电机的反电动势产生制动力矩,使其快速停止。
自由停止:关闭所有开关管,电机依靠惯性滑行至停止。
由工采网代理的SS8844T是一款四通道1/2H桥驱动芯片,提供四个可独立控制的1/2H桥启动器;可被用于驱动两个DC电机、一个步进电机、四个螺线管或者其它负载;针对每个通道的输出驱动器通道由在一个1/2H桥配置中进行配置的N通道功率MOSFET组成。
该电机驱动芯片采用PWM控制方式,工作电压范围:8V~40V;内置3.3V基准电压;连续输出电流2.5A;峰值电可达4.0A;导通阻抗0.35Ω;具备四个独立控制的1/2H桥启动器,可驱动多种负载,如两个DC电机、一个步进电机或四个螺线管等。每个通道的输出驱动器通道采用N通道功率MOSFET组成,确保高效稳定的驱动性能。
输入可以用PWM控制,例如,控制DC电机的转速。当使用PWM控制电感绕组时,输出斩波电流,电机的感性决定了其需要持续的电流,称之为循环电流。H桥可以工作于2种不同的模式来处理这循环电流,fast-decay或slow-decay。在fast-decay模式中,H桥是关断的,通过寄生二极管来续流。在slow-decay模式中,电机电感通过两个下NMOS管短接起来。
nRESET引脚,低电平有效,重置内部逻辑,同时也禁用H桥。当 nRESET为低电平时,除了nSLEEP外的所有的输入均被忽略。nSLEEP设置为低电平时,将芯片进入低功耗的睡眠状态。在这种状态下,H桥是禁用的,栅极驱动电荷泵停止工作,V3P3OUT稳压器继续工作,所有的内部时钟停止。当从睡眠模式返回时,在马达驱动完全运行之前,需要一段时间(大约1ms)。注意,nRESET和nSLEEP有约100kΩ内部下拉电阻。这些信号必须被设置到逻辑高电平来保证芯片工作。
SS8844T是一款步进电机驱动IC,不仅拥有双通道H桥电流控制功能,更广泛适用于纺织机器、工业自动化、游戏机和机器人等多种场景;可可pin-to-pin兼容替代市面上的TI-DRV8844和瑞盟MS8844等型号应用于舞台灯、工业设备、机器人、办公自动化设备。提供更稳定和可靠的性能。
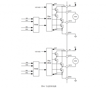
马达控制电路:
马达驱动芯片 - SS8844T的特性:
双通道 H 桥电流控制电机驱动器
–单个或两个有刷直流电机
–一个步进电机
–完全独立的半桥控制
行业标准 IN/IN 数字控制接口
低导通阻抗的金属氧化物半导体场效应晶体管(MOSFET)
–24V,Ta=25°C时可实现2.5A较大驱动电流
–24V,Ta=25°C时RDS(on)为350mΩ(典型值HS + LS)
工作电压范围:8.2V~40V
内置3.3V基准电压
带散热片的表面贴装封装
保护特性:
– 过流保护 (OCP)
– 热关断 (TSD)
– 欠压闭锁 (UVLO)
工采网提供各类【步进电机-直流有刷电机-无刷电机】驱动芯片可完全PIN TO PIN兼容替代TI德州仪器-NXP-ST意法-ON安森美-MPS芯源-ROHM罗姆-英飞凌等众多品牌电机驱动芯片.欢迎联系“在线客服”获取相关商品、询价单,申请样品,期待您的光临。
转载请注明出处:传感器应用_仪表仪器应用_电子元器件产品 – 工采资讯 http://news.isweek.cn/44700.html






