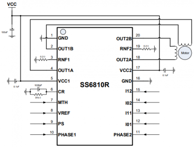
由工采网代理的SS6810R是一款双极低功耗电机驱动集成芯片,内部集成两个独立的H桥,可同时驱动两个直流电机或一个两相步进电机;采用PARA-IN驱动方式,通过PHASEx引脚控制电流方向,I0x/I1x引脚设置电流大小,无需复杂的SPI配置,适合对控制实时性要求较高的系统。
SS6810R采用PWM(脉宽调制)电流驱动,输出能力可达40V/1A(推荐 0.6A/相)工作电压范围10V~40V,eTSSOP-20封装带有裸露散热焊盘,在四层PCB上功耗可达3.2W,并集成了PWM斩波限流、可编程电流衰减模式及全面的保护功能,提供100%、67%、33%、0% 四个电流台阶,便于精细调节电机扭矩与功耗。支持慢衰减、快衰减及混合衰减,且混合衰减中快慢比例可任意设置,兼顾低纹波与高动态响应。
产品特性:
■ 1A电流驱动能力
■ 工作电压范围:10V~40V
■ 低 RDS(ON)电阻
■ PARA-IN 驱动模式
■ PWM 电流整流/限流
■ 2bits电流控制,提供4个电流台阶
■ 可任意设置快慢衰减比例的电流衰减模式
■ 逻辑输入管脚内置下拉电阻
■ 过温保护功能◆过流嵌流及短路保护功能
■ 低压保护功能◆过压保护功能
应用电路图
主要应用领域
POS机:驱动票据打印头。
打印机:控制走纸与打印头定位。
安防相机:驱动云台进行精确的镜头转动。
办公自动化设备:如扫描仪、复印机中的扫描头移动。
游戏机与机器人:控制关节或传动装置。
舞台灯光:驱动光束或颜色轮的精准变换。
SS6810R以简单的并行接口、灵活的电流比例设置、可任意调节的混合衰减模式以及完备的保护机制,为中低压电机驱动应用提供了一个高集成度、易用且可靠的方案,如需进一步的技术参数或应用支持,样品申请,可联系工采网(代理商)
转载请注明出处:传感器应用_仪表仪器应用_电子元器件产品 – 工采资讯 http://news.isweek.cn/45072.html







