LED驱动集成电路(LED Driver IC)是一种专为发光二极管(LED)提供稳定电流并实现高效、安全驱动的专用集成电路。其核心工作原理基于将输入电源(交流或直流)转换为适合LED工作的恒流输出,以确保亮度稳定、延长寿命并避免热失控。
恒流驱动必要性:LED的正向电压-电流(V/I)特性非常陡峭,且具有负温度系数(温度升高时导通电压下降)。若采用恒压驱动,微小的电压波动会导致电流大幅变化,进而引起亮度不稳定甚至烧毁LED。因此,必须采用恒流驱动。
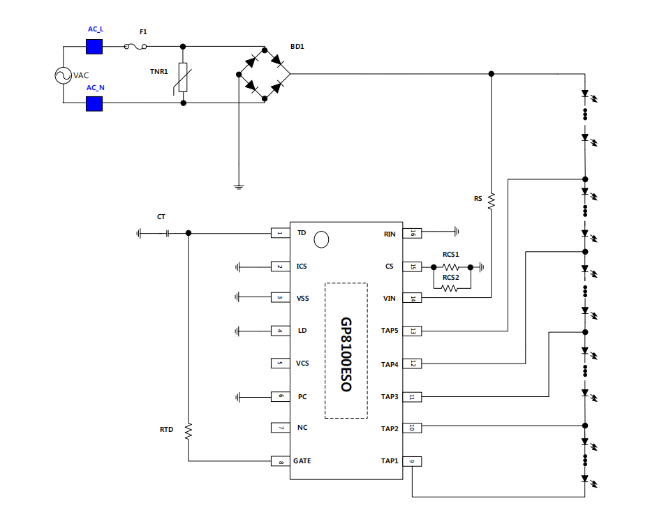
工采网代理的韩国GreenChip的GP8100是一款直流线路驱动器IC,设计用于满足较严格的功率效率和PF(功率因数)要求,可通过添加各种功能来优化用于小型PCB空间中的低成本LED照明系统。GP8100不仅提供设计高效LED照明系统所需的基本标准功能,还提供其他各种可选功能以满足LED照明设计师的各种需求。
只需一个桥式二极管和一个电阻(RCS),即可确保其稳定运行。由于内置的稳压器,它无需外部平滑电解电容器。此外,该电路支持功率、总谐波失真(THD)、功率补偿、过压保护(OVP)、线性调光(0-10V调光)和晶闸管调光功能。通过使用外部功率MOSFET(GVH TR),可以设计出具有较少外部组件且在高功率下保持稳定热设计的电路,这些MOSFET由Greenchip提供。
可以根据系统规格轻松添加控制电路。如果设计者希望进一步降低总谐波失真(THD),减少输入电压波动引起的功率变化,或添加调光电路,这些功能可以通过较少的外部组件实现。此外,其功率可以分配给外部的MOSFET。为了防止温度过高,可以将Greenchip提供的GHV TR与IC内部的TR并联,这不仅能够防止IC过热和故障,还能帮助设计出比单个IC具有更高输入功率容量的系统。
其功率可分配至外部MOSFET。为防止温度过度升高,可将同样由Greenchip提供的GHV热阻TR与IC内部热阻TR并联连接;此举既能避免IC过热及功能故障,也有助于设计出比单个IC具有更高输入功率容量的系统。
典型应用电路:
LED线性驱动芯片 - GP8100的特点:
直流AC线5TAP LED驱动器,较大200mA恒流
无变压器,无冷凝器
宽输入电压设计:85~265V交流电
-型号110VAC、120VAC、220VAC、230VAC
外部组件的较小数量
高效率超过90%
高功率因数超过0.95
带外部电阻器的可编程LED电流(RCS)
使用RTD的THD补偿:低于20%
-使用RIN进行功率补偿的权衡
三端双向可控硅,线性可调光
使用Ext. GHV TR时,功率较高可达20W
保护:OVP、TSD
工作温度:-40℃~ 125℃
小型包装:ESOP16L
选项选择:
-使用RIN进行功率补偿(与THD的权衡)
-使用RTD的THD控制
-带RLD的线性可调光
-TRIAC可调光
LED驱动芯片 - GP8100的应用:
直流线路LED驱动器,较高功率20W
Bulb & Down照明
路灯照明
停车场、管道、杆等
在LED驱动器领域,韩国GreenChip便是佼佼者之一。了解更多关于韩国GreenChipLED驱动器的技术应用,请登录工采网(Isweek.cn)咨询。
转载请注明出处:传感器应用_仪表仪器应用_电子元器件产品 – 工采资讯 http://news.isweek.cn/45325.html






