由工采网代理的GT316L是韩国greenchip推出的一款功能强大的电容式触摸芯片,它支持16通道触摸感应输入,适用于多种形式的触摸按键控制;具备低功耗、强大的防水与抗干扰性能,且支持多种通信协议和灵活配置;在抗EMC、EMI、硬件变化、电压干扰、温度漂移和湿度漂移等方面优异,在各种触摸应用中遇到的CS和EFT噪声环境下不会产生任何问题;符合国家强电测试标注,能过高压测试,能过注入电流测试;适应各种复杂电磁环境,工作性能稳定。被广泛应用于智能门锁、便携式电子产品、多媒体设备、智能家电以及办公设备等领域。
该芯片工作电压范围:1.8V~5.5V,有两种封装形式可选(QFN-28和TSSOP-30L)并支持I2C接口模式;支持超低功耗、可调节功耗、可节灵敏度(64级),GT316L电容式触摸芯片具有更强大的抗干扰能力,并符合国家强电测试标准。它经过高压测试和注入电流测试,可靠性更高。
GT316L触摸芯片采用先进的算法能有效抑制水渍、水雾、潮湿甚至悬浮水滴带来的影响亦能在水中进行操作;支持更厚的面板材质和更灵敏的触发,即使戴着手套也能实现精准操作,待机模式功耗低至9.6μA(@3.3V)支持32级LED调光控制,可满足较多16键滑条和矩阵的设计需求。
GT316L是一款16个通道电容式触摸感应芯片,可以使用作为调光LED驱动器输出引脚,I2C接口可以当MCU IO或连接器资源不足时使用,GT316L无论是性能还是稳定性上都达到了较高的水准。能够受到国内市场的欢迎主要因为其本身的性能极为稳定,再加上这类产品持久的使用寿命都让其在市场上非常受下游客户的欢迎。
此外,GTX316L具有较高的集成度,只需极少的外部组件即可实现触摸按键的检测;具有高电源电压抑制比,从而减少按键检测错误的发生,确保在恶劣环境条件下仍具有高可靠性;内置了独有的嵌入式GreenTouch3TM引擎,具有模拟补偿电路、嵌入式数字噪声滤波器和智能超高灵敏度校准功能,对各种干扰具有较强的抗干扰能力。此外,该芯片具有较高的集成度,只需极少的外部组件即可实现触摸按键的检测,具有自动校准功能、低待机电流和抗电压波动等特点。
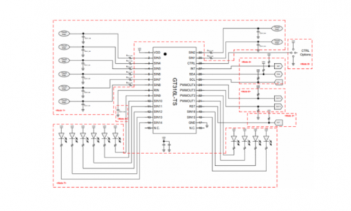
电路图:
电容式触摸芯片-GT316L主要特点:
16通道触摸感应输入
-这些引脚可以用作LED驱动引脚
嵌入式GreenTouch3引擎
-模拟补偿电路
-嵌入式数字噪声滤波器
-智能灵敏度校准
-嵌入式CS、EFT增强核心
供电电压范围宽:1.8V ~ 5.5V
四个25mA sink exclusive输出引脚。
支持I2C接口;提供中断功能。
16通道触摸感应输入(这些引脚可以用作LED驱动引脚)
LED驱动器(32步调光控制)
极低的功耗{待机模式:Min=9.6uA (@3.3V, RSP时间≈800ms)}
封装:QFN-28L 4 x4;TSSOP-30L
通过无铅认证
GT316L凭借其出色的抗干扰能力、灵活的配置选项和低功耗特性,为各种触摸应用提供了可靠触摸感应解决方案,联系工采网“在线客服”获取产品PDF、技术支持和DEMO板、可申请样片。
转载请注明出处:传感器应用_仪表仪器应用_电子元器件产品 – 工采资讯 http://news.isweek.cn/43511.html






