由工采电子代理的SS8102是一款专用于灯光照明及投影仪上的LED调光驱动芯片,采用同步降压整流拓扑结构,具有出色的调光性能,可实现0.01%的PWM调光精度,有效解决低灰度调光闪烁和低亮度调光深度不足的问题。针对低灰度调光特性进行系统运算优化,实现低灰调光无抖动及闪烁问题,使LED有更好的线性度调光特性。PWM及线性调光双重控制并存,可执行独立调光电流控制。
SS8102是一款高效率、恒定电流、降压型同步半桥DC驱动芯片,较大输出电流能力达25A,PWM调光分辨率超过100K:1;支持8V-65V的输入电压范围,恒流误差控制在4%以内;通过DIM管脚输入PWM信号,可灵活实现对LED的调光控制。
SS8102采用迟滞式恒定关断时间的工作模式,无需外部补偿设计。较大简化外部器件,其输出电流能力既可以通过不同阻值的外接电阻(Rcs)调整,也可以通过调节模拟调光控制引脚IADJ上的电压来实现。电流能力可达25A。通过DIM管脚输入PWM信号来灵活实现对LED的调光控制。
SS8102有同步模式和异步模式两种工作模式可供选择,客户可以根据自己的需求来灵活设计。SS8102具有良好的线性度和稳定的恒流特性,可以精确调光并在恶劣供电条件下稳定工作。
LED驱动器SS8102还具备一系列保护功能,包括欠压锁定保护、过热保护、LED开路与短路保护、输出欠压保护等,确保系统在各种恶劣条件下稳定工作,保证系统在大电流运行时的稳定性。
负载开路保护:当LED开路时,SS8102的输出电压被钳制在VIN电压,可以很好的保护芯片不被损坏。
采样回路开路保护及短路保护:
开路保护:当VINA电压高过UVLO阈值后,芯片被使能之前,RCS电阻开路保护检测电路开启并检测RCS电阻是否开路,如果电阻开路,芯片将被关机。
短路保护:当RCS电阻被短路连接,芯片被使能后,LED输出电流一直增加,直到输出电流触发OCP保护阈值,从而触发保护。
输出过流保护和过热保护机制:当芯片温度超过临界值(170℃)时,过热保护功能会使芯片停止工作,等待芯片温度下降,一旦温度低于140℃时,芯片将会重新启动。
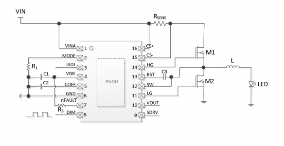
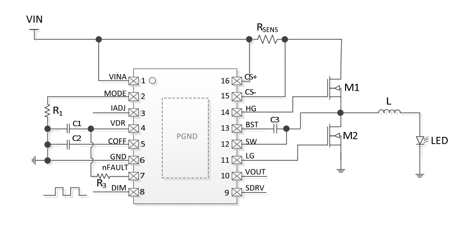
同步框架:
LED驱动芯片 - SS8102的特性:
较大输出25A驱动电流
100K:1以上高PWM调光分辨率
模拟调光比 250:1
输入电压范围: 8V~45V
开关电源频率可调整
封装:eTSSOP16
良好的调光线性度
稳定的恒流特性
保护特征
- VCC欠压锁定
- 过流保护
- 过热保护
- 输出欠压保护
- LED开路保护
LED驱动IC - SS8102的应用:
舞台与影视灯光:高刷新率、无频闪、深度调光能力,100K:1PWM调光,支持0.01%微调,色彩过渡自然,完美满足演出现场对光效细腻控制的需求。
专业投影与激光显示:大电流驱动能力与高稳定性,适用于DLP投影、激光电视及工程投影机的光源驱动。
工业照明与激光加工:宽电压输入与多重保护机制,适应工业环境中的电压波动与复杂负载,用于高功率LED照明、激光切割与打标系统。
汽车照明与特种照明:耐压高、温度范围宽(-40℃~105℃)适用于汽车前照灯、信号灯及户外照明系统。
SS8102是一款集宽电压输入、大电流高精度恒流输出、专业级调光性能于一身的同步降压LED驱动控制器,它不仅能满足严苛的工业与舞台照明需求,其出色的低灰度表现和全面的保护设计,更是解决了行业内长期存在的调光难题,如需获取详细规格书、参考设计或样品,可联系工采网“在线客服”
转载请注明出处:传感器应用_仪表仪器应用_电子元器件产品 – 工采资讯 http://news.isweek.cn/44471.html






