在摄像机镜头驱动、消费类电子、智能玩具及小型机器人等低电压、电池供电的运动控制场景中,高性能、高集成、低功耗的电机驱动芯片是实现设备精准控制、长效续航的关键,由工采网代理的SS8837T是一款低压、高效H桥直流电机驱动芯片,为各类小型电机驱动应用提供解决方案。
产品描述:
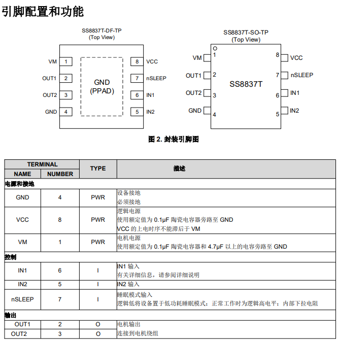
SS8837T是一款有刷直流电机H桥驱动器,同时可兼顾步进电机的驱动需求,可驱动一个直流电机或螺线管,内部采用N沟道功率MOSFET组成H桥电路,支持正向、反向、刹车和滑行四种电机控制模式,导通电阻(高侧+低侧)低至260mΩ,支持0至12V的电机电源电压(VM)和1.8V至12V的器件电源电压(VCC)可灵活匹配不同低电压供电场景。
主要特性
● 驱动能力:支持高达1.8A的输出电流,适用于中小功率电机驱动
● 低导通电阻:高侧+低侧(HS+LS)导通电阻仅 260mΩ(典型值)
● 宽电压工作范围:
电机电源电压(VM):0 V 至 12 V
逻辑电源电压(VCC):1.8 V 至 12 V
● 控制接口:支持 PWM(IN1/IN2)输入,逻辑电平兼容 1.8 V–5 V
● 低功耗睡眠模式:通过 nSLEEP 引脚控制,睡眠电流最大仅 120nA
● 全面保护机制:
欠压锁定(UVLO)
过流保护(OCP)
热关断(TSD)
● 封装:DFN2x2-8L、SOP8两种封装
典型应用场景
摄像机自动对焦与变焦驱动(DSLR镜头)
智能玩具、机器人关节控制
便携式医疗设备(如微量泵、阀门驱动)
家用电器中的小功率电机控制
电池供电的移动设备与物联网装置
SS8837T高集成、高性能、低功耗、高可靠优势,打破传统分立式驱动方案的局限,不仅简化了终端产品的设计流程、降低了成本,更提升了产品的稳定性和续航能力,为各类低电压、电池供电的运动控制应用提供了更优的驱动解决方案。无论是消费类电子的迭代升级,还是工业小型设备的精准控制,都能凭借其出色的性能和广泛的适配性。如需获取样品、开发支持或完整数据手册,可联系工采网“在线客服”
转载请注明出处:传感器应用_仪表仪器应用_电子元器件产品 – 工采资讯 http://news.isweek.cn/44493.html







